Big LED Screen: Difference between revisions
(add schematic) |
(add schematic) |
||
| Line 105: | Line 105: | ||
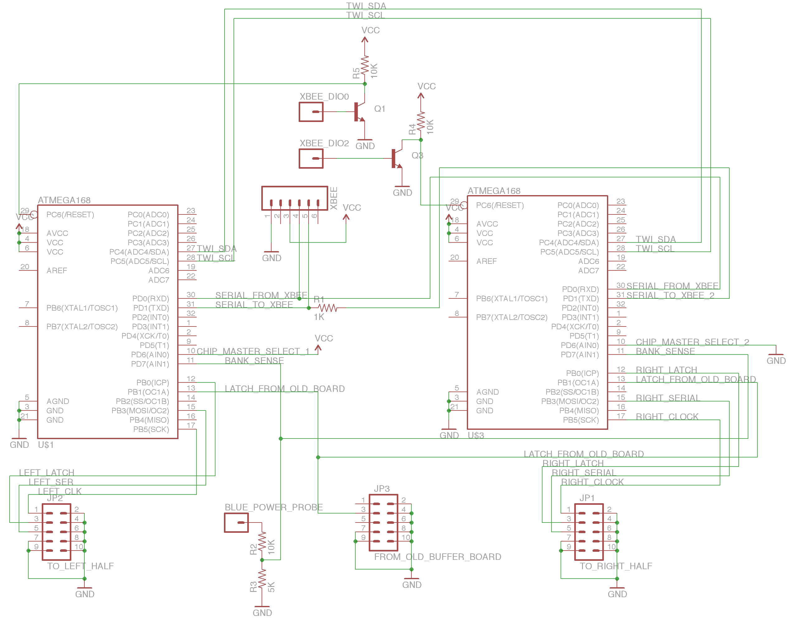
=== Pin connections === | === Pin connections === | ||
[[Image:ledscreen-schematic.png]] | |||
Here are the pins that need to be connected other than power and ground: | Here are the pins that need to be connected other than power and ground: | ||
Revision as of 13:17, 11 April 2009
The Big LED Screen
Overview
- Dimensions (in pixels) are 128 by 48
- The buffer board stores data into a couple memory chips, which are then accessible to the daughterboards which drive the actual LEDs.
- There are four daughterboards, in two chains of length two. Each of these daughterboards is connected to a single "section" of LEDs (ie: there are four big "sections" of LEDs). Each daughterboard runs a section of 32 by 48 pixels.
History
- Originally controlled by a 386; mobo is shot.
- The 386 connects via ISA to a "buffer board" which looks to be a memory buffer and power conditioner.
- The "buffer board" has most traces terminating to a socket with a missing chip, so we don't know what happened here.
Buffer board
Tonight (2008-12-30) Josh worked from the backend up a bit, but eventually gave up. He then moved to the ISA frontside and worked down, which was far more productive.
The device appears to sit at ISA IO ports 0x180 through 0x183. The addresses are decoded by U51 (74688 comparator), which then hits the OE2 on U52-19 (74541 driver iirc). This is then used to feed U53 and U54 (both 74574 D-flip-flops). These appear to be there to combat fan-out. He's not entirely certain where these go, but it seemed like they were going into the RAMs.
The low bits of the ISA address selection sit on the rightmost two pins on the top row of the header, SA1 and SA0, in that order (Just hook the connector up and use the multimeter if that's nonsensical). I haven't traced them through yet; I was in the middle of it when my time ran out. They look to run over to the empty chip socket on the right side of the board. Most traces tend to terminate at this chip socket, so most likely we won't be able to use the display logic on the buffer board.
Daughterboards
The daughterboards each have qty 3 UCN5832A (File:Ucn5832.pdf) 32-bit shift registers (for a total of 96 bits) which drive an array of 32 by 48 pixels (for a total of 1536). The theory is the other end of the LEDs are connected to 16 different power sources, making all the LEDs addressable (96 * 16 = 1536). (The shift register does a current sink)
The daughterboards receive serial based on the following:
- The long 10-pin pigtails are as follows:
1 - UCN-40 CLK (serial clock) 2 - GND 3 - UCN-4 STROBE (latch driver) 4 - GND 5 - UCN-2 SIN (serial in) 6 - GND 7 - UCN-3 GND 8 - GND 9 - GND
Pin 1 is marked red. When looking into the end of the connector, when the red-marked wire is on the left, odd pins are on top. The keyed edge of the connector is also on top. The top left pin is pin 1.
Per Josh, the grounds do not need to be connected for now.
The serial is daisy chained together. There are two sets of two daughterboards (four daughterboards total) with 3 shift registers on each daughterboard. So, each chain of shift registers includes 6 shift registers for a total of 192 bits per chain.
- The 10-pin ports between the daughterboards (J3 and J2) are wired differently. J3 is:
1 - 2 - 3 - 4 - 5 - ground 6 - 7 - clock 8 - 9 - serial out (j2) / serial in (j3) 10 -
(The existing logic shifts out 200 bits instead of 192; we don't know why).
Looking at the sign doing STROBE: sequences 130us apart, within each sequence, 5 peaks @+5V, 4us each high, otherwise the signal is low.
Looking at CLK: We do a bunch of lcokign, the strobe, etc. 8 CLKs in 5us, entire process takes 125us, appx 200CLKs. This gives an input rate of 1.6MHz(!)
The shift register is rated for 3.3Mhz, so we could conceivably drive it faster than the 1.5Mhz that it's currently running.
Current Operation
Overview
Overview of the inside of the screen (picture)
Detail of our breadboard (picture)
[Media:ledscreen-sch.png]
LED Hardware
The sign is currently driven by two boarduinos on a solderless breadboard. One controls the left half of the sign, and the other controls the right half.
The old hardware buffer board has 16 power sources that it cycles through in sequence. It goes through each cycle of 16 power sources at about 500 Hz. (So it changes power sources every 1/8000th of a second).
Each boarduino shifts bits out along a serial line controlling 192 shift registers. These shift registers act as controllable current-limited drains.
The LEDs on the display have their anodes connected to the power sources. Each anode is shared by 192 LEDs.
The LEDs on the display have their cathodes connected to the shift registers. Each shift register pin is shared by 16 LEDs.
This gives us 3072 LEDs per half of the display, which are arranged into an array 64 LEDs wide by 48 LEDs tall.
The boarduinos have connections to the preexisting circuitry to tell which power source is in use at any time, and send the respective data to the shift registers for display.
We also have an xbee series 1 (802.15.4) wireless chip onboard so we don't have to open up the sign to talk to it.
Software
Though we are using arduino compatible hardware, we are using AVR-GCC to compile native code directly for the atmel mega168 chip on the boarduino. The arduino framework does not perform well enough nor allow us good access to the atmega168 integrated chip features such as SPI and TWI.
We are using lady ada's arduino bootloader. This acts like an atmel stk500 programmer, and allows us to upload software over the wireless connection.
The XBEE wireless chip has virtual transparenet pins configured so we can control the reset pins of the two boarduinos independently, and upload new code to each half of the sign at a time.
The two halves talk to each other using the TWI interface on the atmega168.
Pin connections
Here are the pins that need to be connected other than power and ground:
- MOSI (PB3) - this sends serial data to the daughterboard
- SCK (PB5) - this sends lcock signal to the daughterboard
- PB1 - this should be connected to the latch/strobe signal from the old buffer board
- PB0 - this should be connected to the latch/strobe signal going to the daughterboard
- PD7 - this should be hooked up to the left side of one of the power sources on the buffer board through a voltage divider (and small capacitor to stabilize the signal) to bring the 15 volts down to 5 volts. Do not use the output of the power source, since it's not nearly as stable.
It uses the existing STROBE (latch) signal from the buffer board for timing, and reads the state of one of the buffer board's output powers to synchronize where in the sequence of 16 power sources. It captures the latch signal and re-emits it to the daughterboard.
It ignores the serial clock and serial data from the buffer board.
Unfortunately this has very little processor time to spare since it's spending all its time clocking out the serial data. We're probably limited to very basic patterns on here.
Usage
Getting the source
The source is in a mercurial repository on pony. Point your mercurial client at http://pony.local/d3/nils/bigledscreen to pull down a copy of it.
Programming the xbee
To control the sign wirelessly, you will want to program an xbee chip to interface with it. I recommend the "xbee explorer" from sparkfun. To program your new xbee, you will need to make sure your xbee has a recent enough firmware (10A5 is recommended). Unfortunately firmware upgrade must be done using Digi/MaxStream's "X-CTU" application which runs under windows.
Once you have your xbee connected to your computer, you can use xbee-pgm.pl to set it up to talk to the sign such as the following:
./xbee-pgm.pl /dev/cu.usbserial.A12345 program-computer-side
where /dev/cu.usbserial.A12345 is the serial port for your xbee.
If your xbee was configured to use the original 9600 baud rate, you will need to run this twice to actually write the new baud rate to flash. Your xbee will now talk at 19200 baud, and is now configured to talk to the sign.
Uploading new sign code
To compile new sign code, simply "make" in the bigledscreen directory. This will produce a "ledlife.hex" file that you can upload to the sign. If you are unfamiliar with AVR programming and avrdude, you should go through one of the tutorials on the internet first. This is not a good first project.
To upload new sign code, you must upload to each half of the sign separately. First, activate the reset pins on both halves of the sign:
./xbee-pgm.pl /dev/cu.usbserial.A12345 all-high
Now, release the reset pin on half of the sign. This allows the left half of the sign to boot up:
./xbee-pgm.pl /dev/cu.usbserial.A12345 3-high
The atmega168 will now start the Lady Ada's bootloader, which acts just like a stk500.
Immediately, start your "avrdude" to upload code. If you do not do this fast enough, you will need to toggle the reset pin again.
avrdude -F -b 19200 -c stk500v1 -p m168 -P /dev/cu.usbserial-A12345 -e -U flash:w:ledlife.hex
Sometimes this will fail. If it fails repeatedly, reposition your xbee closer to the sign, or reorient it, and try again.
Once this half is done, you can upload the right half:
./xbee-pgm.pl /dev/cu.usbserial.A12345 1-high avrdude -F -b 19200 -c stk500v1 -p m168 -P /dev/cu.usbserial-A12345 -e -U flash:w:ledlife.hex
Then you can release the reset pin on the left half so it can boot up, and both halves can run:
./xbee-pgm.pl /dev/cu.usbserial.A12345 all-low
Controlling a running sign
You can use the "sendcmd.pl" script to send bytes to the sign. The usage is similar to xbee-pgm.pl:
./sendcmd.pl <serial port> <byte code>
<byte code> is the decimal value of the byte to send. You should not send bytes too fast, and sometimes bytes get missed. Hopefully this will change in the future.
You can address one or both of the halves by sending one of the following values:
0 - address left 1 - address right 2 - address both
If you want to send a data value from 0 to 3 (inclusive) and don't want to address a screen, you can first send a "3", which indicates that the next byte should be treated as a data byte instead of an address byte.
Immediately after you address a screen, you send a command:
64 - Turn on life, and randomly occasionally reset 65 - Turn on life without the periodic random reset 66 - Run test pattern 67 - Act as single-buffered framebuffer 68 - Act as double-buffered framebuffer 70 - clear framebuffer, home cursor 71 - set x coordinate of cursor 72 - set y coordinate of cursor 73 - for double-buffered framebuffer, swap front and back buffers 74 - for double-buffered framebuffer, do a single round of life and swap front and back buffers
When setting an x or y coordinate of the cursor, follow the command with the cursor position added to 128. The cursor is 8 pixels wide horozontally and 1 pixel tall. Valid values for setting the X cursor coordinate are 128 through 135. Valid values for setting the Y cursor coordinate are 128 through 175.
After you have issued attention and a command, any further bytes you send will be placed on the screen at the cursor, and then the cursor will go to the next 8 pixels. It scans in the standard left-to-right, top-to-bottom order.
An example script, "gliders.sh", will place a bunch of gliders on the display. (You may need to change the "port" variable to match your local serial port). Note that it has several times where it stops and asks you if everything is ok; use ctrl-c to abort if any bytes got missed in transit, and then start over.
For further information, UTSL.
